
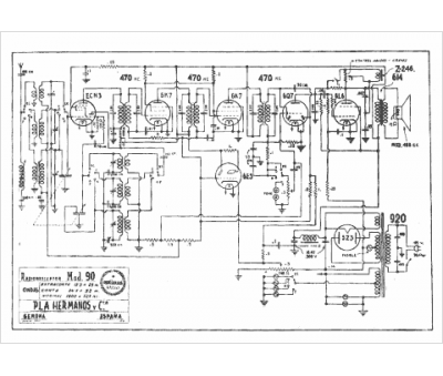
Marque :
Optimus
Modèle :
90
Type appareil :
récepteur à tubes
Pays d'origine :
Espagne
