
Marque :
Optimus
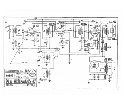
Modèle :
205
Type appareil :
récepteur à tubes
Pays d'origine :
Espagne
