
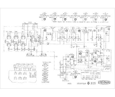
Marque :
Optalix
Modèle :
TO 305
Type appareil :
récepteur à transistors
Pays d'origine :
France
