
Marque :
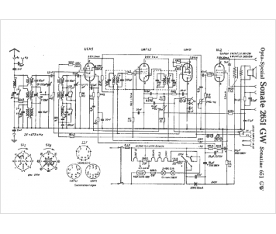
Opta Spezial
Modèle :
651 GW Sonatine
Type appareil :
récepteur à tubes
Pays d'origine :
Allemagne
