
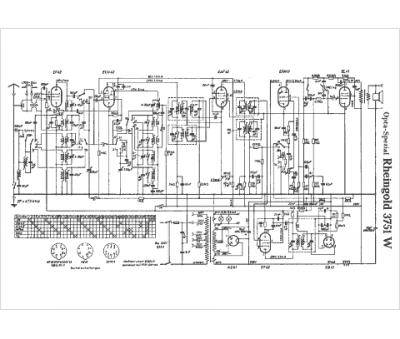
Marque :
Opta Spezial
Modèle :
3751 W Rheingold
Type appareil :
récepteur à tubes
Pays d'origine :
Allemagne
