
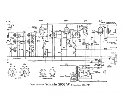
Marque :
Opta Spezial
Modèle :
2651 W Sonate
Type appareil :
récepteur à tubes
Pays d'origine :
Allemagne
