
Marque :
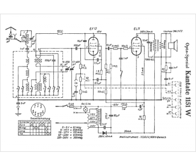
Opta Spezial
Modèle :
1151 W Kantate
Type appareil :
récepteur à tubes
Pays d'origine :
Allemagne
