
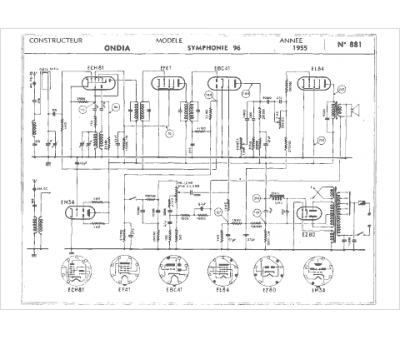
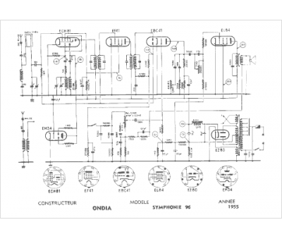
Marque :
Ondia
Modèle :
Symphonie 96
Type appareil :
récepteur à tubes
Année :
1955
Pays d'origine :
France
