
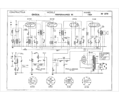
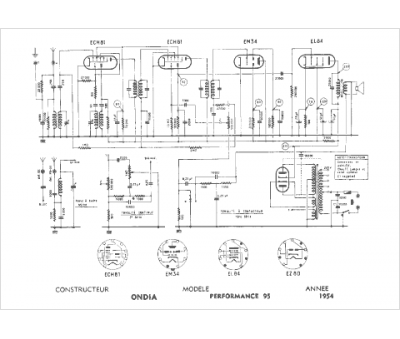
Marque :
Ondia
Modèle :
Performance 95
Type appareil :
récepteur à tubes
Année :
1954
Pays d'origine :
France
