
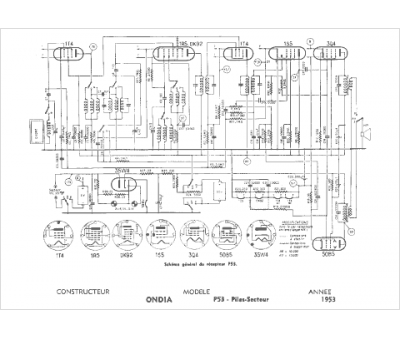
Marque :
Ondia
Modèle :
P 53
Type appareil :
récepteur à tubes
Année :
1953
Pays d'origine :
France
