
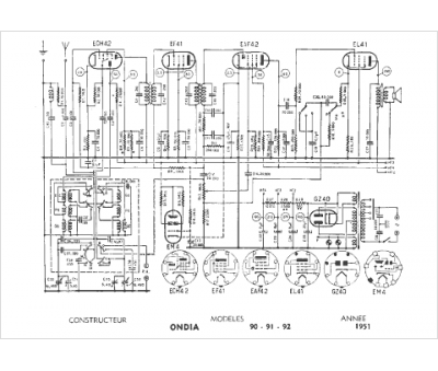
Marque :
Ondia
Modèle :
92
Type appareil :
récepteur à tubes
Année :
1951
Pays d'origine :
France
