
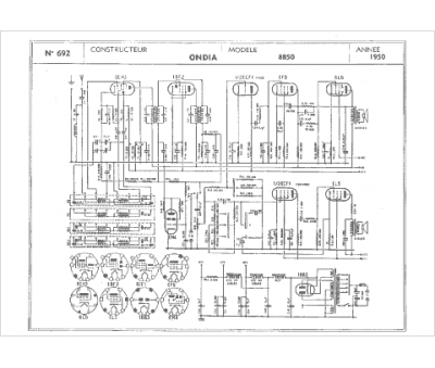
Marque :
Ondia
Modèle :
8850
Type appareil :
récepteur à tubes
Année :
1950
Pays d'origine :
France
