
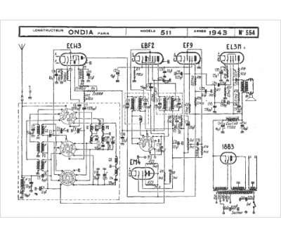
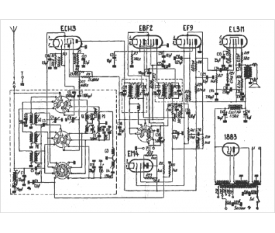
Marque :
Ondia
Modèle :
511
Type appareil :
récepteur à tubes
Année :
1943
Pays d'origine :
France
