
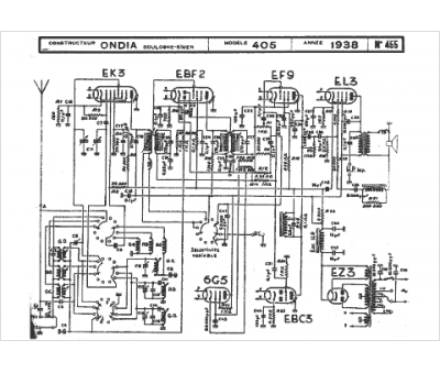
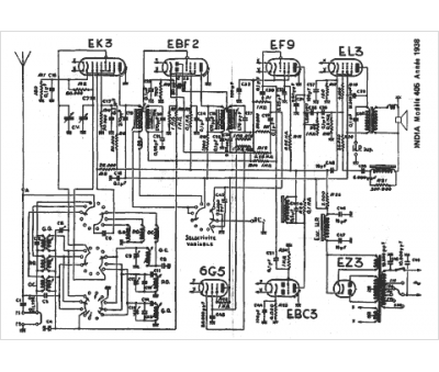
Marque :
Ondia
Modèle :
405
Type appareil :
récepteur à tubes
Année :
1938
Pays d'origine :
France
