
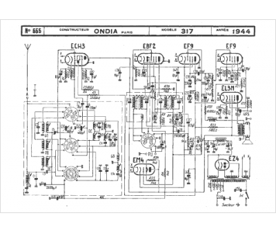
Marque :
Ondia
Modèle :
317
Type appareil :
récepteur à tubes
Année :
1944
Pays d'origine :
France
