
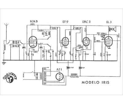
Marque :
Ond-Hertz
Modèle :
Iris
Type appareil :
récepteur à tubes
Pays d'origine :
Espagne
