
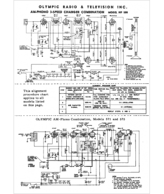
Marque :
Olympic
Modèle :
HF-500
Type appareil :
récepteur à tubes
Année :
1955
Pays d'origine :
États-Unis
