
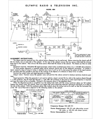
Marque :
Olympic
Modèle :
404
Type appareil :
récepteur à tubes
Année :
1957
Pays d'origine :
États-Unis
