
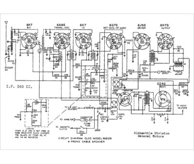
Marque :
Oldsmobile
Modèle :
982126
Type appareil :
récepteur à tubes
Année :
1939
Pays d'origine :
États-Unis
