
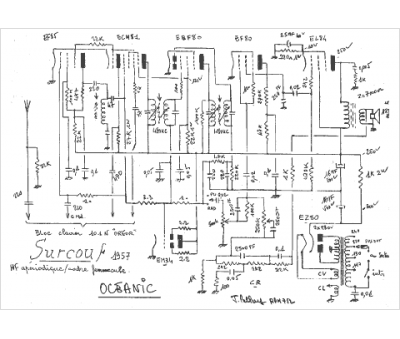
Marque :
Oceanic
Modèle :
Surcouf
Type appareil :
récepteur à tubes
Année :
1957
Pays d'origine :
France
