
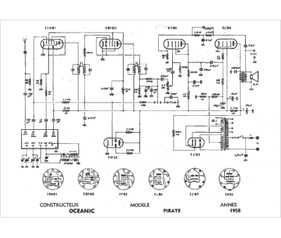
Marque :
Oceanic
Modèle :
Pirate
Type appareil :
récepteur à tubes
Année :
1958
Pays d'origine :
France
