
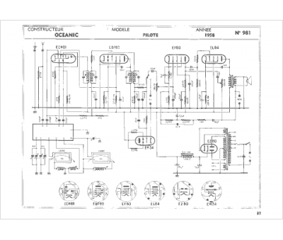
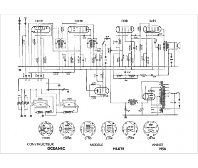
Marque :
Oceanic
Modèle :
Pilote
Type appareil :
récepteur à tubes
Année :
1958
Pays d'origine :
France
