Retour à l'accueil
 
 
Recherche de schémas
Collection CD/DVD

Service schémathèque 

1 document correspond à votre recherche.

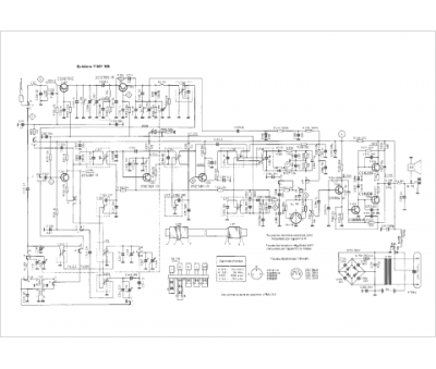
Caractéristiques de l'appareil
Marque :
Oceanic-ITT
Modèle :
Tiny 106
Type appareil :
récepteur à transistors
1 document correspondant à cet appareil
Schéma Oceanic-ITT Tiny 106
5 pages.
Document présent dans Rétro-docs 7 Acheter
En ligne, disponible en téléchargement Télécharger
La consultation de cet espace schémathèque est en accès libre.