
Marque :
Nuclear
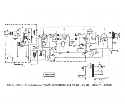
Modèle :
Super R 64 S
Type appareil :
récepteur à tubes
Pays d'origine :
Italie
