
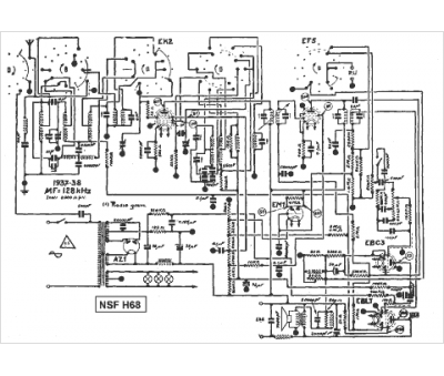
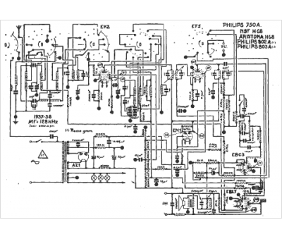
Marque :
NSF
Modèle :
H 68
Type appareil :
récepteur à tubes
Année :
1937
