
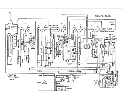
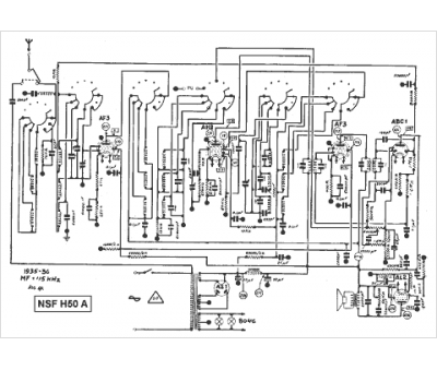
Marque :
NSF
Modèle :
H 50 A
Type appareil :
récepteur à tubes
Année :
1936
