
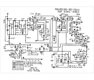
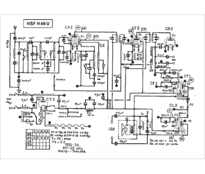
Marque :
NSF
Modèle :
H 49 U
Type appareil :
récepteur à tubes
Année :
1935
