
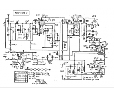
Marque :
NSF
Modèle :
H 28 U
Type appareil :
récepteur à tubes
Année :
1935
