
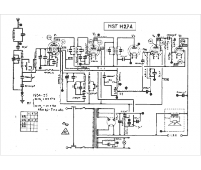
Marque :
NSF
Modèle :
H 27 A
Type appareil :
récepteur à tubes
Année :
1934
