
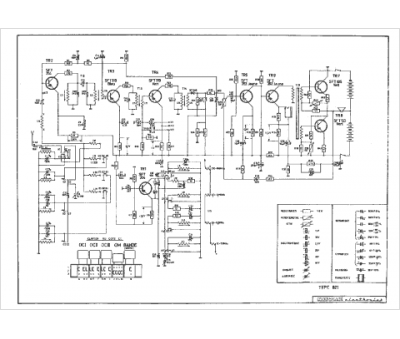
Marque :
Novak
Modèle :
821
Type appareil :
récepteur à tubes
Pays d'origine :
Belgique
