
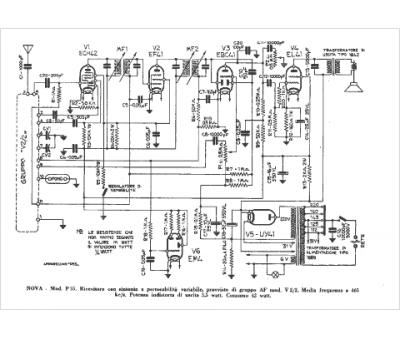
Marque :
Nova
Modèle :
P 55
Type appareil :
récepteur à tubes
Pays d'origine :
Italie
