
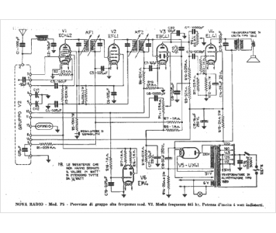
Marque :
															Nova																																															
														Modèle :
																P 5																																	
															Type appareil :
																récepteur à tubes
															Pays d'origine :
																Italie
															