
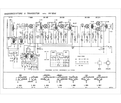
Marque :
Nova
Modèle :
9041
Type appareil :
récepteur à tubes
Pays d'origine :
Italie
