
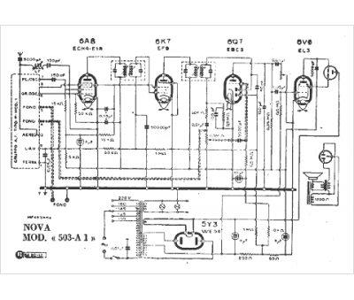
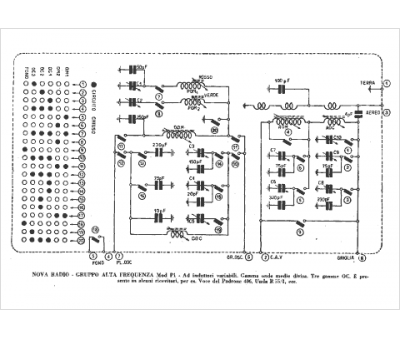
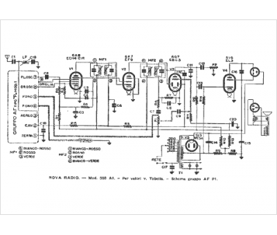
Marque :
Nova
Modèle :
503 A1
Type appareil :
récepteur à tubes
Pays d'origine :
Italie
