
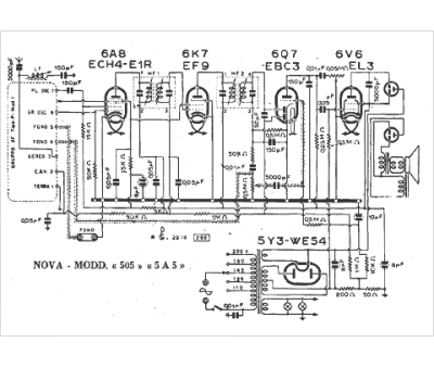
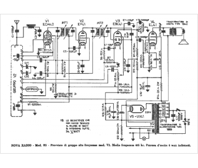
Marque :
Nova
Modèle :
5 A 5
Type appareil :
récepteur à tubes
Pays d'origine :
Italie
