
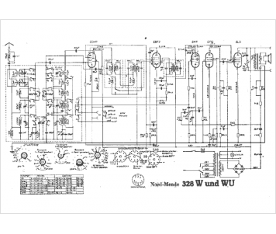
Marque :
Nordmende
Modèle :
328 W
Type appareil :
récepteur à tubes
Pays d'origine :
Allemagne
