
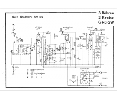
Marque :
Nordmark
Modèle :
326 GW
Type appareil :
récepteur à tubes
Pays d'origine :
Allemagne
