
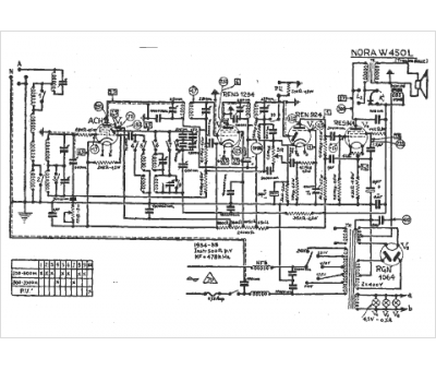
Marque :
Nora
Modèle :
W 450 l Troubadour
Type appareil :
récepteur à tubes
Année :
1934
Pays d'origine :
Allemagne
