Retour à l'accueil
 
 
Recherche de schémas
Collection CD/DVD

Service schémathèque 

4 documents correspondent à votre recherche.

Caractéristiques de l'appareil
Marque :
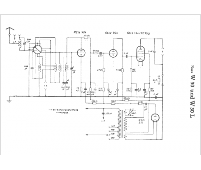
Nora
Modèle :
W 30
Type appareil :
récepteur à tubes
Pays d'origine :
Allemagne
4 documents correspondant à cet appareil
Schéma Nora W 30, Nora W 30l
1 page
Document présent dans Rétro-schémas 2 Acheter
En ligne, disponible en téléchargement Télécharger
Schéma Nora W30, W30 L
1 page
Document présent dans Rétro-docs 5 Acheter
En ligne, disponible en téléchargement Télécharger
Schéma Nora W30, W30 L
1 page
Document présent dans Rétro-docs 5 Acheter
En ligne, disponible en téléchargement Télécharger
no photo
Schéma Nora W 30, W 30 L
Langue  : allemand
1 page
Doc complémentaire s. demande Demander
Vous pouvez regrouper les téléchargements Tout télécharger
La consultation de cet espace schémathèque est en accès libre.