
Marque :
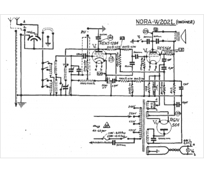
Nora
Modèle :
W 202 l Undine 2
Type appareil :
récepteur à tubes
Année :
1934
Pays d'origine :
Allemagne
