
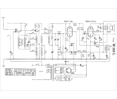
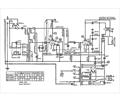
Marque :
Nora
Modèle :
W 200 l
Type appareil :
récepteur à tubes
Année :
1933
Pays d'origine :
Allemagne
