
Marque :
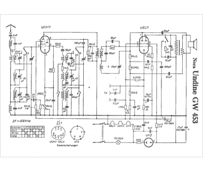
Nora
Modèle :
Undine GW453
Type appareil :
récepteur à tubes
Pays d'origine :
Allemagne
