
Marque :
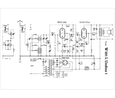
Nora
Modèle :
Undine 1 W201 L
Type appareil :
récepteur à tubes
Pays d'origine :
Allemagne
