
Marque :
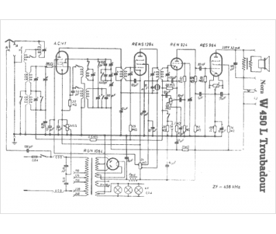
Nora
Modèle :
Troubadour W450 L
Type appareil :
récepteur à tubes
Pays d'origine :
Allemagne
