
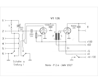
Marque :
Nora
Modèle :
P 2 A
Type appareil :
récepteur à tubes
Pays d'origine :
Allemagne
