
Marque :
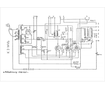
Nora
Modèle :
K3W Vb
Type appareil :
récepteur à tubes
Pays d'origine :
Allemagne
