
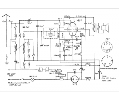
Marque :
Nora
Modèle :
Junior GW 152
Type appareil :
récepteur à tubes
Pays d'origine :
Allemagne
