
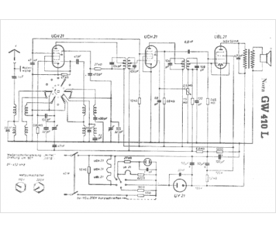
Marque :
Nora
Modèle :
GW410 L
Type appareil :
récepteur à tubes
Pays d'origine :
Allemagne
