
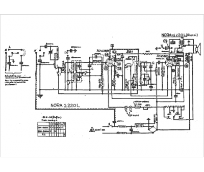
Marque :
Nora
Modèle :
G 220 l Rienzi
Type appareil :
récepteur à tubes
Année :
1934
Pays d'origine :
Allemagne
