
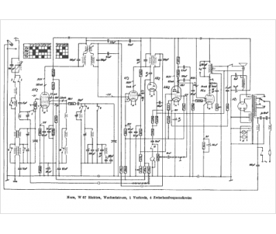
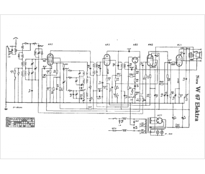
Marque :
Nora
Modèle :
Elektra W67
Type appareil :
récepteur à tubes
Pays d'origine :
Allemagne
